Tóm tắt nội dung: Công nghệ điều khiển khí nén là một trong những lĩnh vực quan trọng và được áp dụng rỗng rãi trong hệ thống đường ống công nghiệp. Trong đó, van bi khí nén tuyến tính đóng vai trò then chốt, đảm bảo sự vận hành hiệu quả và tin cậy của các hệ thống máy móc, thiết bị.
Để biết thêm về cấu tạo, nguyên lý hoạt động, ưu điểm và nhược điểm, cũng như cách sử dụng van bi khí nén tuyến tính một cách hiệu quả. Bên cạnh đó, quý khách có thể sở hữu van bi khí nén tuyến tính với mức giá và chât lượng tốt nhất tại HT Việt Nam.
Van Bi Khí Nén Tuyến Tính là gì?
Van bi khí nén tuyến tính hay Van bi điều khiển khí nén là một loại van điều khiển dòng chảy, được sử dụng trong các hệ thống đường ống công nghiệp nhằm điều chỉnh lưu lượng, áp suất và hướng dòng lưu chất. Chúng thường được ứng dụng trong các ngành công nghiệp như sản xuất, chế tạo, xây dựng, dầu khí và nhiều lĩnh vực khác.
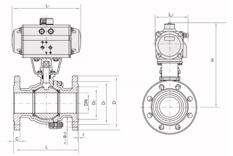
Van bi khí nén tuyến tính có cấu tạo đơn giản, gồm một vỏ van, một bi van và bộ điều khiển khí nén tuyến tính. Khi nhận được tín hiệu điều khiển, bộ cấp khí nén hoạt động và cung cấp dòng khí áp lực cao, van sẽ mở hoặc đóng dòng chảy một cách chính xác và nhanh chóng, đáp ứng các yêu cầu điều khiển của hệ thống.
Van bi khí nén tuyến tính là sản phẩm được HT Việt Nam nhập khẩu và cung cấp trực tiếp tới khách hàng, đảm bảo chất lượng và giấy tờ đầy đủ. Chúng tôi đang cung cấp van bi khí nén tuyến tính với các mức khích thước từ:
Van bi khí nén tuyến tính DN15
Van bi khí nén tuyến tính DN20
Van bi khí nén tuyến tính DN25
Van bi khí nén tuyến tính DN32
Van bi khí nén tuyến tính DN40
Van bi khí nén tuyến tính DN50
Van bi khí nén tuyến tính DN100
Van bi khí nén tuyến tính DN125
Van bi khí nén tuyến tính DN150
Van bi khí nén tuyến tính DN200

Cấu Tạo và Hoạt Động của Van Bi Khí Nén Tuyến Tính
Cấu tạo của van bi khí nén tuyến tính bao gồm các thành phần chính sau:
Phần van bi
Van bi là một loại van được sử dụng rộng rãi trong nhiều hệ thống công nghiệp lần các đường ống dân sinh. Cấu tạo của van bi bao gôm một thân van, bi van, trục van, gioăng làm kín.
Cơ chế hoạt động của van bi dựa trên việc điều chỉnh góc quay của một quả cầu được đục lỗ xuyên tâm. Dựa vào cầu tạo của thân van, ta có thể phân loại van vi thành các loại sau:
Van bi mặt bích
Van bi lắp ren
Van bi lắp clamp
Van bi 1PC
Van bi 2PC
Van bi 3 PC
Van bi 3 ngã dạng chữ T
Van bi 3 ngã dạng chữ L

Bộ điều khiển khí nén tuyến tính
Bộ điều khiển khí nén tuyến tính được thiết kế với cấu trúc dạng xi lanh. Cấu trúc này cho phép đầu khí chuyển áp lực từ dòng khí thành động năng để điều khiển hoạt động đóng mở của van.
Đầu khí nén bao gồm phần vỏ được chế tạo bằng hợp kim nhôm, cơ cấu trục truyền động, bộ điều khiển tuyến tính. Dựa vào cấu tạo của bộ điều khiển khí nén, ta có hai loại đầu khí:
Bộ điều khiển khí nén tác động đơn
Bộ điều khiển khí nén tác động kép.

Cách hoạt động của van bi khí nén tuyến tính
Khi nhận được tín hiệu điều khiển, bộ cấp khí nén sẽ bơm một lượng khí nén áp suất cao vào đầu khí, cấu trúc dạng xi lanh giúp dòng khí có thể đẩy và làm xoay trục van để mở hoặc đóng.
Với bộ điều khiển tuyến tính, người dùng có thể điều chỉnh được góc mở của van một cách chính xác, phục vụ cho các hoạt động điều chỉnh lưu lượng dòng chảy trong các ứng dụng quan trọng.
Hoạt động này cho phép van bi điều khiển khí nén tuyến tính thực hiện các chức năng điều khiển, như điều chỉnh lưu lượng, áp suất hoặc hướng dòng chảy một cách chính xác và linh hoạt.
Tham khảo thêm >>> Van bướm điều khiển khí nén
Phân Loại Van Bi Khí Nén Tuyến Tính
Van bi khí nén tuyến tính có thể được phân loại dựa trên các tiêu chí sau:
Phân loại theo chất liệu
Van bi gang khí nén tuyến tính
|
Thông số kỹ thuật
|
Hình ảnh
|
- Size van bi: (DN15 - DN 50 dạng lắp ren) (DN50 - DN400 dạng lắp bích)
- Mode bộ khí: AD/RD/AS
- Chất liệu tạo thân van bi: inox, gang hoặc nhựa
- Chất liệu tạo nên bộ khí: Hợp kim nhôm đúc nguyên khối
- Áp lực: Tối đa PN16
- Áp lực khí: 0 - 8 bar
- Kiểu lắp ghép: Lắp ren và Lắp bích
- Kiểu tác động: Kiểu tác động kép và kiểu tác động đơn
- Nhiệt độ làm việc: -10 đến 190 độ C
- Tiêu chuẩn chống nước, chống bụi: IP67
|

|
Van bi inox khí nén tuyến tính
|
Thông số kỹ thuật
|
Hình ảnh
|
- Kích cỡ: DN15 đến DN 200
- Chất liệu: Thân van: Inox 304, Inox 316
- Bộ chuyền động khí nén: Hợp kim nhôm
- Kết nối: Mặt bích
- Tiêu chuẩn: Jis10k, BS PN10, BS PN16, ASIN
- Áp lực làm việc: PN10, PN16
- Nhiệt độ làm việc: từ 0 đến 220 độ C
- Tiêu chuẩn bộ khí: IP67
- Kiểu tác động: tác động đơn và tác động kép
- Kiểu đóng mở: On/Off hoặc Tuyến tính
- Môi trường sử dụng: Chất lỏng, lò hơi, khí…
|

|
Van bi nhựa khí nén tuyến tính
|
Thông số kỹ thuật
|
Hình ảnh
|
- Loại 2 ngã và 3 ngã (T & L)
- Kiểu nối rắc co 2 đầu
- Nhiệt độ hoạt động -20°C đến 100°C
- Hoạt động: ON/OFF
- Môi trường sử dụng: Lưu chất là hóa chất có khả năng ăn mòn
- Xuất sứ: Đài Loan, Hàn Quốc
|

|
Van bi vi sinh khí nén tuyến tính
|
Thông số kỹ thuật
|
Hình ảnh
|
- Kích thước: DN15 – DN100
- Chất liệu: Inox 304, inox 316
- Kiểu hoạt động: ON/OFF hoặc Tuyến Tính
- Kiểu tác động khí: Tác động đơn hoặc kép
- Thiết bị phụ kiện: Van điện từ 12v, 24v, 220v, Limit switch box
- Cấu tạo thân: 2pc, 3pc, 3 mảnh
- Nhiệt độ làm việc: 180 độ C
|
|
Phân loại theo kiểu chế tạo
Van bi 3 ngã khí nén tuyến tính
|
Thông số kỹ thuật
|
Hình ảnh
|
- Kích thước cổng: Từ DN15 – DN50
- Áp suất tối đa: 1.6 Mpa
- Nhiệt độ hoạt động: Từ -20 ~ 150 độ C
- Hoạt động: Truyền động AT
- Kiểu kết nối: Nối ren trong
- Sử dụng cho: Khí nén, nước, dầu, hơi
- Vật liệu: Thép không ghỉ inox 304
|

|
Van bi 3PC khí nén tuyến tính
|
Thông số kỹ thuật
|
Hình ảnh
|
- Kích thước: DN15 – DN100
- Chất liệu: Inox 304, inox 316
- Kiểu hoạt động: ON/OFF hoặc Tuyến Tính
- Kiểu tác động khí: Tác động đơn hoặc kép
- Thiết bị phụ kiện: Van điện từ 12v, 24v, 220v, Limit switch box
- Cấu tạo thân: 3pc
- Nhiệt độ làm việc: 180 độ C
|

|
Van bi 2PC khí nén tuyến tính
|
Thông số kỹ thuật
|
Hình ảnh
|
- Chất liệu: gang, inox, thép, đồng
- Kích thước: DN15 – DN200
- Tiêu chuẩn: BS, JIS, DIN, ANSI
- Áp suất làm việc: 10bar, 16bar, 25bar, 40bar, 64bar
- Nhiệt độ làm việc: 0 – 220 độ C
- Xuất xứ: Hàn Quốc, Trung Quốc, Đài Loan
- Cấu tạo thân: 2pc,
|

|
Phân loại theo phương thức lắp đặt
Van bi khí nén tuyến tính lắp ren
|
Thông số kỹ thuật
|
Hình ảnh
|
- Kích thước van: DN15 – DN150
- Thân van: Inox SUS304, SUS316
- Bi van: Inox SUS304
- Gioăng làm kín: Teflon
- Kiểu kết nối: Lắp ren, lắp bích, rắc co
- Áp lực làm việc: PN16, PN25, PN63
- Nhiệt độ làm việc: MAX 230 độ C
- Áp suất điều khiển khí nén: 0 – 8 bar
- Kiểu tác động: Tác động đơn, tác động kép
|

|
Van bi khí nén tuyến tính lắp bích
|
Thông số kỹ thuật
|
Hình ảnh
|
- Kích cỡ van: DN15 - DN350..
- Model đầu khí kosaplus: RD/AD/AS (32 -210)
- Model đầu khí haitima: HTD (32 - 160)
- Vật liệu thân van: Thân inox304, 316, Thâng gang, Thép, Nhựa
- Đầu khí nén: Hợp kim nhôm cao cấp
- Áp lực đầu khí nén: 7 bar, 8 bar
- Kiểu kết nối: Mặt bích, ren, Rắc co, hàn
- Tiêu chuẩn mặt bích: JIS10k, ANSI, BS
- Áp lực: PN10, PN16, PN25
- Nhiệt độ: -20 ~ 350 độ C
|

|
Van bí khí nén tuyến tính hàn
|
Thông số kỹ thuật
|
Hình ảnh
|
- Tên sản phẩm : Van bi hàn
- Kích cỡ van : DN15 - DN200
- Vật liệu thân van : Inox304, Inox316, Thép, Đồng
- Vật liệu Bi : SUS304, SUS316, Thép , Đồng
- Vật liệu gioăng làm kín : Cao su, Teflon, PTFE, EPDM
- Áp lực : PN16, PN25, PN40, PN60
- Nhiệt độ làm việc : -5 độ C - 250 độ C
- Tiêu chuẩn : DIN, JIS, BS, ANSI
- Kiểu kết nối : Kết nối hàn
|

|
Hiện tất cả dòng van bi khí nén tuyến tính đang được HT Việt Nam cung cấp. Với mẫu mã và kích thước đa dạng
Ưu Điểm và Nhược Điểm của Van Bi Khí Nén Tuyến Tính
Ưu điểm của van bi khí nén tuyến tính
- Van bi khí nén tuyến tính có cấu tạo khá đơn giản, gồm ít bộ phận, dễ lắp đặt và bảo trì.
- Với sự kết hợp của lực cân bằng và lực ma sát, van có khả năng hoạt động ổn định, chính xác và tin cậy.
- Van có thể điều chỉnh lưu lượng, áp suất dòng chảy một cách tuyến tính theo tín hiệu điều khiển.
- Van được ứng dụng trong nhiều ngành công nghiệp như sản xuất, chế tạo, dầu khí, xây dựng, etc.
- Chi phí hoạt động cũng như giá thành của van bi khí nén tuyến tính thấp hơn so với van bi điều khiển điện tuyến tính.
- Hoạt động nhanh chóng, van bi khí nén tuyến tính có thể đóng mở van chỉ trong 0,5 giây.
- Van bi khí nén tuyến tính được HT Việt Nam nhập khẩu trực tiếp mà không qua bất kỳ khâu trung gian nào, giúp giá thành của sản phẩm luôn ở mức cạnh tranh nhất.
Nhược điểm của van bi khí nén tuyến tính
Việc hiểu rõ ưu điểm và nhược điểm của van bi khí nén tuyến tính sẽ giúp người dùng lựa chọn và ứng dụng chúng một cách hiệu quả. Dưới đây là một vài hạn chế của van bi khí nén tuyến tính mà khách hàng cần lưu ý.
- Van bi khí nén tuyến tính chủ yếu dùng để điều khiển dòng chảy của chất lỏng hoặc khí, vì vậy các chất có độ sệt cao hoặc chứa nhiều tạp chất không thích hợp với dòng van này và có thể khiến van bị hư tổn.
- Van bi khí nén tuyến tính gây ra tiếng ồn lớn khí hoạt động, có thể gây khó chịu. Tình trạng này có thể được cải thiện bằng cách lắp thêm phụ kiện tiêu âm.
- Quán trình hoạt động nhanh, về lâu dài có thể khiến bi van và gioăng làm kín bị mài mòn, gây rò rỉ. Người dùng nên thường xuyêm kiểm tra và thay thế các bộ phận bị hư tổn.

Lựa Chọn Van Bi Khí Nén Tuyến Tính Phù Hợp
Khi lựa chọn van bi khí nén tuyến tính, cần xem xét các yếu tố sau:
- Xác định rõ mục đích sử dụng, điều kiện hoạt động (áp suất, lưu lượng, môi trường, v.v.)
- Lựa chọn van có thông số kỹ thuật phù hợp với yêu cầu ứng dụng
- Xác định phương thức điều khiển phù hợp, Lựa chọn van có khả năng điều khiển phù hợp với hệ thống
- Xem xét môi trường hoạt động (ăn mòn, nhiệt độ,...) Để lựa chọn vật liệu phù hợp. Ưu tiên vật liệu chế tạo bền, chịu được điều kiện khắc nghiệt
- Lựa chọn kích thước van phù hợp với kích thước đường ống
- Kiểm tra tính tương thích của kết nối van với hệ thống
- Xem xét các tiêu chuẩn, quy định về an toàn trong ứng dụng
- Cân nhắc chi phí ban đầu, chi phí vận hành và bảo trì, Lựa chọn van có hiệu quả kinh tế phù hợp với ngân sách
Ứng Dụng của Van Bi Khí Nén Tuyến Tính trong Các Ngành Công Nghiệp
Van bi khí nén tuyến tính đóng vai trò quan trọng trong việc kiểm soát quy trình sản xuất, bảo đảm hiệu suất và an toàn cho các ngành công nghiệp. Một số ứng dụng phổ biến của van bi khí nén tuyến tính bao gồm:
- Điều khiển và kiểm soát quy trình sản xuất.
- Điều chỉnh lưu lượng, áp suất khí nén cho các máy công cụ, thiết bị gia công.
- Ứng dụng trong hệ thống tự động hóa, chế tạo thiết bị, linh kiện.
- Điều khiển dòng chảy khí, dầu trong các giếng khoan, đường ống.
- Ứng dụng trong hệ thống điều khiển van trong nhà máy lọc dầu.
- Điều khiển quá trình nén, vận chuyển khí đốt.
- Điều khiển lưu lượng, áp suất khí nén trong các thiết bị và máy móc trong nghành xây dựng
- Điều chỉnh áp suất, lưu lượng nhiên liệu trong hệ thống chế biến thực phẩm
- Điều khiển lưu lượng, hóa chất trong quy trình sản xuất hóa chất
- Ứng dụng trong hệ thống xử lý nước thải, xử lý khí độc hại

Bảo Trì và Sửa Chữa Van Bi Khí Nén Tuyến Tính
Việc thực hiện bảo trì và sửa chữa định kỳ sẽ giúp nâng cao hiệu suất và tuổi thọ của van bi khí nén tuyến tính, đồng thời giảm thiểu nguy cơ hỏng hóc và sự cố trong quá trình vận hành. Dưới đây là một số biện pháp bảo trì và sửa chữa cần thiết:
- Thực hiện kiểm tra định kỳ về lưu lượng, áp suất, và hoạt động của van. Kiểm tra độ kín, trục van, và các bộ phận chịu ma sát.
- Bôi trơn các bộ phận chuyển động như trục van, đế van để giảm ma sát. Làm sạch bụi bẩn, chất cặn có thể ảnh hưởng đến hoạt động của van
- Thay thế các linh kiện như phớt, ốc vít, khi chúng bị hỏng hoặc mòn. Đảm bảo sử dụng linh kiện chính hãng và đúng chuẩn
- Hiệu chỉnh lại van sau mỗi giai đoạn sử dụng để đảm bảo hoạt động chính xác
- Đào tạo nhân viên vận hành về cách sử dụng, bảo trì và sửa chữa van. Hiểu rõ các yếu tố ảnh hưởng đến hoạt động của van và cách xử lý sự cố
- Không để vượt quá giới hạn áp suất, nhiệt độ hoặc lưu lượng cho phép của van
- Kiểm tra định kỳ tình trạng hoạt động của van và các thông số liên quan. Xử lý kịp thời các dấu hiệu bất thường như rò rỉ, tiếng ồn lạ, hoạt động không ổn định
HT Việt Nam luôn đồng hàng cùng khách hàng trong quá trình sử dụng sản phẩm. Vì vậy nếu có bất kỳ sự cố hay vấn đề nào, quý khách có thể liên hệ với chúng tôi qua hotline để được hỗ trợ kịp thời. Bộ phận kỹ thuật của chúng tôi sẽ hỗ trợ khách hàng tận tình nhất.
Mua Van Bi Khí Nén Tuyến Tính tại HT Việt Nam
Với uy tín nhiều năm kinh nghiệm trong lĩnh vực cung cấp thiết bị và giải pháp cho đường ống công nghiệp, HT Việt Nam cam kết mang đến cho khách hàng những sản phẩm chất lượng, dịch vụ chuyên nghiệp và giải pháp toàn diện.
Công ty TNHH TM&XNK HT Việt Nam là địa chỉ tin cậy để mua sắm van công nghiệp, đồng hồ lưu lượng và nhiều thiết bị chất lượng, đa dạng về mẫu mã và phù hợp với nhiều ứng dụng công nghiệp. Khi mua van bi khí nén tuyến tính tại HT Việt Nam, quý khách hàng sẽ được hưởng các ưu đãi sau:
- Sản phẩm chính hãng: HT Việt Nam cung cấp sản phẩm được nhập khẩu từ các thương hiệu uy tín trên thị trường, đảm bảo chất lượng và hiệu suất cao.
- Dịch vụ hậu mãi: Đội ngũ kỹ thuật viên giàu kinh nghiệm của HT Việt Nam sẵn sàng hỗ trợ khách hàng trong việc lắp đặt, bảo trì và sửa chữa van.
- Giá cả cạnh tranh: HT Việt Nam cam kết cung cấp sản phẩm với mức giá cạnh tranh nhất trên thị trường.
- Tư vấn chuyên nghiệp: Đội ngũ tư vấn kỹ thuật của HT Việt Nam sẽ giúp khách hàng lựa chọn và tư vấn giải pháp phù hợp nhất.
- Uy tín và chất lượng: HT Việt Nam là địa chỉ uy tín, hoạt động lâu năm trong ngành, cam kết cung cấp sản phẩm chất lượng, đáng tin cậy.
- Hậu mãi chu đáo: Sau khi mua sản phẩm, khách hàng sẽ được hỗ trợ bảo trì, sửa chữa và tư vấn kỹ thuật một cách nhanh chóng và hiệu quả.
Nếu bạn đang tìm kiếm van bi khí nén tuyến tính chất lượng, hãy đến với HT Việt Nam - địa chỉ uy tín và chuyên nghiệp trong lĩnh vực cung cấp thiết bị tự động hóa công nghiệp. Chúng tôi cam kết mang đến cho bạn sản phẩm tốt nhất, dịch vụ chu đáo nhất và bảo hành toàn diện nhất.
Hãy liên hệ với chúng tôi ngay hôm nay để được tư vấn và hỗ trợ một cách nhanh chóng và chuyên nghiệp!
